马上注册荣耀渭南网,结交渭南乡党,享用更多功能,让你轻松玩转荣耀网
您需要 登录 才可以下载或查看,没有账号?立即注册
|
x
有人说就算你装修十次,你还是会次次都上当,而且次次上的当还都不同。当然这么说有点夸张,但其实道出了一个真理,那就是装修的坑深猛于虎,让人防不胜防,其中最可气的恐怕就是增项了吧!
要装修的这边看,装修乱象大解析 防火防盗防增项
人生中走过最长的路估计就是装修公司的套路 提起“增项”这个词,如果要罗列出装修的十宗罪,那么增项一定会位居榜首,有哪个敢说在装修过程没有被增项坑到过?预算说变就变,永远有人向你要钱,要钱,这个要另外收,那个要加钱,这个费用没包含,合同没有,那个费用另计……唉,人生中走过最长的路估计就是装修公司的套路吧,总之各种你闻所未闻的项目搞的你一脸懵逼像。
要装修的这边看,装修乱象大解析 防火防盗防增项
那么我们本期的《装修百科》就来说说装修增项这件事!小编的原则一向是敢于揭露各种装修暗象,就要任性的让装修更透明。 装修增项到底都有啥? 装修是一个项目繁多工艺复杂琐碎的施工工程,在装修施工中难免会有变动或修改,这样就很容易造成装修增项,有些增项确实不可避免,比如原先规划好的线路图,业主突然要增加某个东西,这样的增项就算是正常合理的增项了,但有些增项确实是商家故意隐瞒,签合同前并不告诉业主,而是等开工之后工队临时要求增加的收费项目,这种就属于恶意增项了。 那么装修增项到底是怎么产生的呢?如何预防增项?下面进入我们的深度剖析中,这年头只有自己强大,用装修知识武装起自己才能躲得过黑暗的深坑。
要装修的这边看,装修乱象大解析 防火防盗防增项
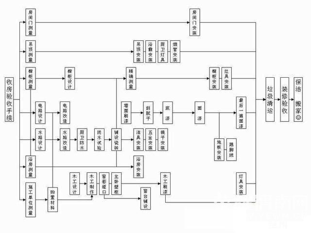
附上详细装修流程图一张,看懂流程了解环节才知道哪个环节需要做什么,从源头上来杜绝。 一般这些项目都是容易暗藏增项,大家擦亮眼睛看清楚: 1、水电改造:水电路改造工程一般都是不包括在预算中的,大都只给出业主具体单价,然后根据实际测量后再计算价格,这也是大部分增项都会出现的地方了,很多恶意的增项就是在业主不在场的情况下,擅自测算,增加的长度。所以说在水电完工后测量时候,一定要亲自去“收方”啊。
要装修的这边看,装修乱象大解析 防火防盗防增项
小编支招: 签订装修合同前,一定要求设计师出示水电路改造图纸,并对照图纸严格计算出下列项目可能发生的数量:电话线改造,电源插座改造,开关面板改造,水路改造,有线电视线路改造,网线改造,确定好灯具、开关、台盆、浴缸、洗衣机、冰箱、热水器等等的确切位置,并就此算出合理的费用。这样就可避免增项费用过高。 2、地面找平:这个也是大家容易忽略的地方,正常情况下,家里铺贴地砖是不需要找平的,往往大家会忽略这项,再此提醒下准备铺木地板的业主们这个是必须要找平的。 小编支招: 地面找平在算的时候一定是要包含客厅、餐厅、主次卧室、厨房、阳台等每个空间的,核算下来后大概就清楚会花费多少钱,如果这个部分在签订合同的时候含糊,那么这个找平费将会是一个很大的增项! 3、防水工程:一般新房交工后卫生间的防水开发商都会给做的,但是防水是家装工程的重中之重,所以卫生间的防水还是需要重新再做一遍的。 小编支招:一般提到防水大家可能只想到卫生间,其实厨房和阳台也是需要做防水的地方哦,所以在装饰公司报价的时候一定不要忘记计算这两个地方的防水工费呀! 提醒下,卫浴间淋浴墙防水高4500px,非淋浴墙原则上防水涂料不能低于750px。防水涂料必须刷到国家验收规范的1.5mm厚。在此提醒大家做完防水一定要做48小时的闭水试验,毕竟是隐蔽工程一定要谨慎。
要装修的这边看,装修乱象大解析 防火防盗防增项
4、墙面铲除及轻体墙贴布:这项肯定是大家比较常见的,懂点装修知识的业主都是知道的,有的开发商交工后的墙面做的很差,用手一抠墙面,墙皮就掉了,这样的墙面必须要铲除然后重新做处理的。还有业主们也应该清楚的,如果墙面贴上布在刷漆的话,以后的墙面肯定就会寿命长些,不容易开裂的。但是墙面贴布需要单计算一下费用的。 小编支招:铲墙皮神马的大部分装饰公司都会算人工费,目测还不低,建议这等技术含量不是很高的工作大家可以自行找铲墙的散工搞定,还省钱。如果要贴布油漆的话最好是计算下价格,贴布也是可贴可不贴,根据自家情况考虑清楚。 5、 厨卫包立管:厨房和卫生间各一根,很多业主家里的厨房或者卫生间会有很多管道裸露在外,施工中需要用轻体砖给包好,可以起到美观的效果。这个工程是必须工程哦,如果装修合同上没有写明这一项,大家可以要注意,这个费用算下来也不少。 小编支招:特别需要警惕的就是这个项目,一般的装修小白根本就想不到这个费用,非常容易被漏掉,结果就会增加在施工过程中,到时候又会被变成“必须”增加的项目。
|